RAVLIK@INMOR.COM
КАТАЛОГ ПРОДУКЦИИ
- 01 Пожарные соединительные головки
-
01 Пожарные стволы
-
01 Пожарные распылители
- 03 Клапана пожарные
-
04 Пожарные разветвления рукавные выпускные
-
04 Пожарные головки и фланцы
-
06 Пожарная арматура зданий
- 12 Пожарный генератор пены
- 20 Судовые и промышленные клапана
- 20 Судовые и промышленные мембранные клапана
- 20 Клапана запорные резьбовые
- 21 Судовые захлопки и невозвратные клапана
- 22 Судовые отливные бортовые клапана
- 23 Предохранительные клапана
- 26 Быстрозапорные клапана
- 26 Клапаны самозапорные
- 27 Клапаны высокого давления
- 29 Клапаны различные специальные
- 30 Судовые и промышленные фильтры
- 35 Судовые и промышленные задвижки
- 40 Судовые и промышленные краны
- 45 Судовые и промышленные редукционные клапаны
- 45 Манометровые краны
- 50 Судовые затворы и захлопки
- 55 Пробки палубные
- 60 Арматура указателя уровня жидкости
-
81 Элементы управления арматурой
- 82 Фланцы
- 85 Адаптеры
-
86 Виброопоры и демпферы
-
87 Автоматические высокоскоростные клапаны вакуума и давления
-
Справочная информация
-
88 Интеллектуальные морские системы
- 89 Сепараторы масла и топлива МАВ
-
90 Испытания амортизаторов
Наша задача
Выполнение заказов в указанные сроки и с высоким качеством!Наша цель
Cпособствовать внедрению современного и надёжного оборудования лидирующих отечественных и мировых производителей.21 Судовые захлопки и невозвратные клапана
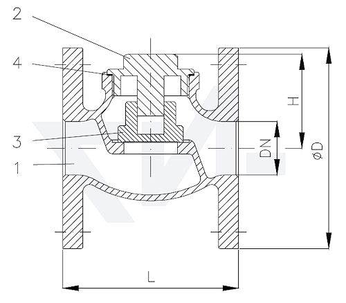
Клапан невозвратный фланцевый проходной, Rg 5 с резьбовой крышкой корпуса тип 21.03.03
Клапан судовой невозвратный фланцевый проходной, бронза Rg 5 с резьбовой крышкой корпуса тип 21.03.03
Условное давление: PN16
![]() |
1 - Корпус CuSn5Zn Pb 2 - Крышка до DN 32 CuZn35 Ni; от DN 40 CuSn5Zn5Pb5-C 3 - Диск до DN 50 CuSn7Zn Pb; от DN 65 CuSn5Zn5Pb5-C 4 - Уплотнительное кольцо PTFE |
Таблица размеров клапана:
|
DN |
Ø D |
Ø k x n x Ø d1 |
L |
H |
Подъём |
- kg |
|
10 |
90 |
60 x 4 x14 |
70 |
40 |
5 |
1,3 |
|
15 |
95 |
65 x 4 x14 |
70 |
40 |
6 |
1,5 |
|
20 |
105 |
75 x 4 x14 |
80 |
45 |
7 |
1,8 |
|
25 |
115 |
85 x 4 x14 |
90 |
50 |
8 |
2,5 |
|
32 |
140 |
100x 4x18 |
105 |
60 |
10 |
4,2 |
|
40 |
150 |
110x 4x18 |
120 |
65 |
12 |
5,1 |
|
50 |
165 |
125x4x18 |
140 |
75 |
15 |
7,1 |
|
65 |
185 |
145 x 4 x18 |
180 |
90 |
19 |
10,5 |
|
80 |
200 |
160x8x18 |
200 |
105 |
24 |
13,6 |
Компания ИНМОР:
тел: (812) 33 33 389
факс: (812) 33 33 389 доб.0

